Hydraulické prvky
Děliče / slučovače průtoku
DĚLIČE / SLUČOVAČE PRŮTOKU máme v nabídce pístkové (jenž jsou levnější), ale také zubové (přesnější funkce). Pístkové děliče dělí olej do dvou nezávislých průtoků v poměru 1:1 bez ohledu na rozdílné zatížení větve C1 – C2 a v opačném případě zase průtoky slučuje do výstupu/vstupu V. Verzi pístkových děličů nabízíme od výrobců BOSCH REXROTH, BUCHER, CONTARINI
U zubových děličů je funkce více přesná než u verze s pístky. Do určité části je funkce nezávislá na tlacích různých vývodů, ale je nutný nepřetržitý průtok všech portů. U zubových děličů můžeme nabízet i více větví dělení. Verzi zubových děličů máme od výrobce VIVOIL.
Pístkové děliče průtoku - MTDA
Slouží k dělení průtoku nezávisle na viskozitě, teplotě a tlaku oleje.
- dělení v rozsahu (2 až 250) dm3.min-1
- možnost zadání rozdílných poměru dělení průtoku
- Větve A, B nemusí být tlakově zatížené
- Přesnost 3 - 5 %, viz. charakteristiky
- Průtok je možný oběma směry (tzv. slučovací funkce)
Technické parametry:
| Max. provozní tlak (bar) | 315 |
|---|---|
| Teplota (°C) | min. -20 do max. +80 |
| Viskozita(rozsah) (mm2/s) | min. 10 do max. 300 |
Hydraulické schéma:

Provozní průtoky (rozsah):
| Objednací kód | Q (l/min) | Připojovací závity | |
|---|---|---|---|
| Přítok (rozsah) | P | A + B | |
| MTDA 08 - 004 M | 2 - 4 | M18 x 1,5 | |
| MTDA 08 - 006 M | 3 - 6 | ||
| MTDA 08 - 008 M | 4 - 8 | ||
| MTDA 08 - 012 M | 6 - 12 | ||
| MTDA 08 - 016 M | 8 - 16 | ||
| MTDA 08 - 025 M | 12 - 25 | ||
| MTDA 08 - 032 M | 16 - 32 | M22 x 1,5 | M18 x 1,5 |
| MTDA 08 - 050 M | 25 - 50 | ||
| MTDA 08 - 075 M | 37 - 75 | ||
| MTDA 08 - 100 M | 50 - 100 | ||
| MTDA 16 - 100 M | 35 - 100 | M27 x 1,5 | M22 x 1,5 |
| MTDA 16 - 160 M | 50 - 160 | M33 x 2 | M27 x 2 |
| MTDA 16 - 200 M | 60 - 200 | ||
| MTDA 16 - 250 M | 75 - 250 | ||
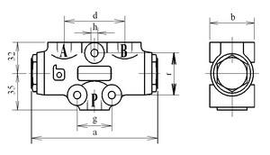
Venkovní rozměry:

| Typ | a | b | c | d | e | f | g | Hmotnost |
|---|---|---|---|---|---|---|---|---|
| MTDA 08 | 120 | 48 | 67 | 54 | 45 | 40 | 7 | 1,2 kg |
| MTDA 16 | 192 | 76 | 100 | 80 | 70 | 70 | 9,5 | 4,1 kg |
Charakteristiky:
